网站首页
公司慨况
新闻资讯
产品中心
营销服务
技术服务
购车流程
联系我们
首页
>
新闻资讯
>
公司新闻
>
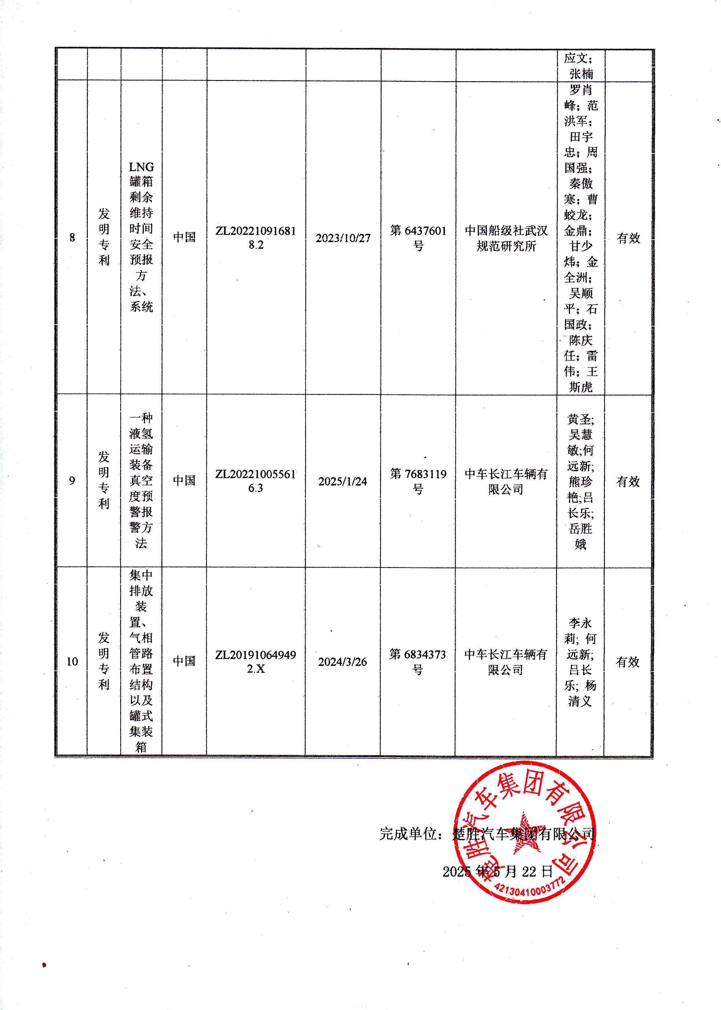
关于“铁路及联运危险货物储运装备关键技术与应用”项目
免费电话
联系我们
查找车辆